Philips HF-R 258 TL-D EII 220-240V for 2x58W
€58.76
€48.56
excl. Tax
incl. Tax
Order today, shipped 1 June
Want to order larger quantities?
- Free shipping above €121 incl. TaxFree shipping above €100 excl. Tax
- Business customer? Purchase on account
- Easy returns within 14 days
Specifications
Clear
General
|
i
The recommended quantity refers to the number of products pre-packaged by the manufacturer. When you buy this quantity, we deliver the products in the original package from the manufacturer.
|
Full box quantity | 12 |
|---|
General Information
| SKU | 150126 | |
|---|---|---|
| EAN | 8711500910196 | |
| Brand | Philips | |
| Manufacturer Name | HF-R 258 TL-D EII 220-240V 50/60Hz | |
|
i
Every bulb or fixture has an energy efficiency class A to G. Energy label A is the most efficient and G the least. LED lighting is the most sustainable lighting technique. Even if a LED bulb is rated E or lower, they still save 70% of energy compared to conventional lighting with the same energy label. Why is it the same label then? To motivate LED brands to get even more durable. |
Energy efficiency class | A |
|
i
Our all-in warranty is fully included in the product price and covers both hidden defects and technical defects of the product that occurred before delivery. The warranty period differs per product and ranges from 1 year to a maximum of 7 years.
|
Any Lamp all-in warranty | 1 Year |
Technical Information
|
i
The technology indicates the operating base of a light source. The most well-known and energy-efficient example is LED. Other techniques include Halogen, gas discharge, TL (fluorescent) and the light bulb.
|
Technology | Accessory |
|---|---|---|
|
i
A ballast can be seen as an energy regulator that switches on the lighting. Is there a starter in the fixture? Then this is a conventional ballast (EM). Fixtures with an electronic ballast (HF) don't have a starter. A LED driver can be compared to an electronic ballast and only works with LED lighting.
|
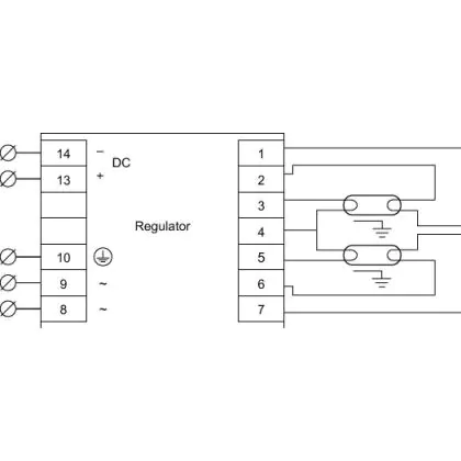
Ballast | Electronic (HF) without starter |
| Ballast for bulb type | TL-D | |
|
i
The lifespan is an indication of the number of hours a product will last. This refers only to the hours the product is actually on. LED lighting has a significantly longer lifespan than conventional lighting. LED lighting therefore lasts much longer. How long you can actually use a product depends on the extent of its (daily) use. |
Average Lifetime (h) | 0 |
| Maximum Wattage Rating | 58 | |
| Suitable for bulb type | TL-D | |
|
i
Dimmable bulbs work in combination with a dimmer switch and allow you to determine the desired light output. Dimming also provides energy saving potential because less power is required when the lamp is producing less light.
|
Dimmable | Dimmable |
| Fixture Connection | Wago 251 | |
| Amount of bulbs required | 2 | |
| Product Type Category | Accessory - Fluorescent Ballast |
Lamp Information
| EOC8 | 91019630 | |
|---|---|---|
| Series | HF-Regulator |
Sensor Information
|
i
Lighting with a sensor only turns on when it receives a specific signal. This reduces energy costs. The (built-in) sensors respond to darkness (twilight switch) and/or movement (motion sensor).
|
Type of sensor | No Sensor |
|---|
Every bulb or fixture has an energy efficiency class A to G. Energy label A is the most efficient and G the least. LED lighting is the most sustainable lighting technique. Even if a LED bulb is rated E or lower, they still save 70% of energy compared to conventional lighting with the same energy label. Why is it the same label then? To motivate LED brands to get even more durable.